Web Analytics Made Easy - Statcounter
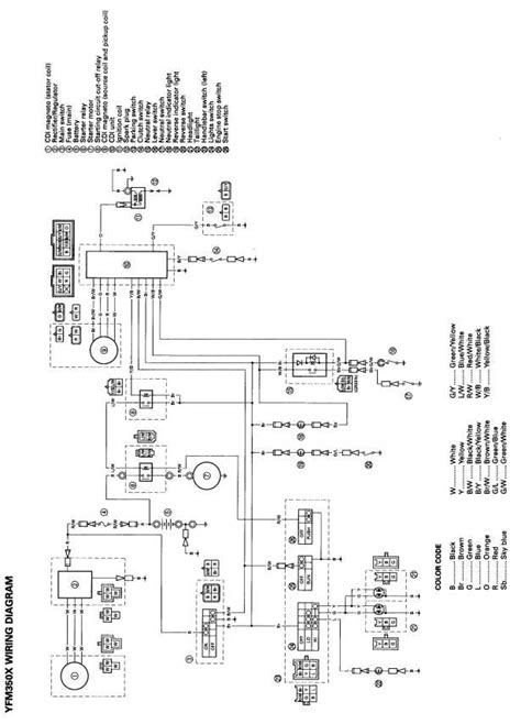
Yamaha Grizzly Wiring Diagram 2011: Fix Your ATV Now!

Yamaha Grizzly Wiring Diagram 2011: Fix Your ATV Now!

Yamaha Grizzly Wiring Diagram 2011: Fix Your ATV Now! Yamaha 600 grizzly wiring diagram